行业知识

中线蝶阀介绍

2025-02-21 09:00:38 登录入口

中线蝶阀介绍

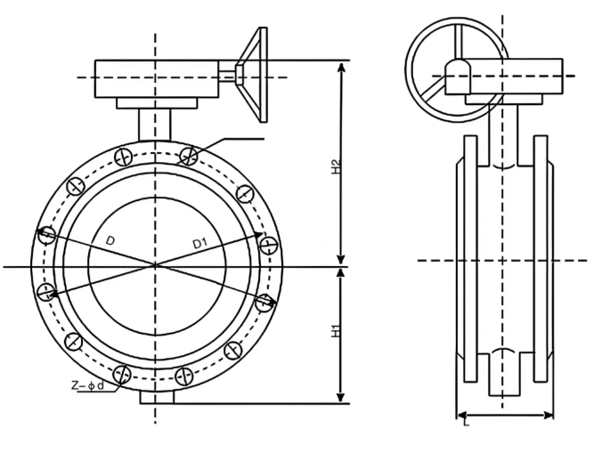
蝶板的回转中心(即阀杆的中心) 位于阀体的中心线和蝶板的密封面截面上, 阀座采用合成橡胶或塑性材料。关闭时蝶板的外圆密封面挤压合成橡胶阀座, 使阀座产生弹性变形而形成弹性力作为密封比压, 保证蝶阀的密封。

该阀可设计成法兰连接、 对夹连接和单夹连接, 阀杆可设计成通杆、 穿销钉和两节杆结构。

图片关键词

图片关键词

首页
产品
新闻
联系