新闻动态
KWZK开云(中国)Kaiyun·官方网站
网站首页
登录入口
公司简介
在线反馈
联系我们
产品展示
全部
传感器/变送器
流量计系列
液位/料位系列
阀门/执行装置
液压/气动元件
检维修工器具
化验/分析仪器
其他机电仪产品
新闻动态
全部
行业知识
企业新闻
资料下载
客户案例
新闻动态
推荐
热门
最新
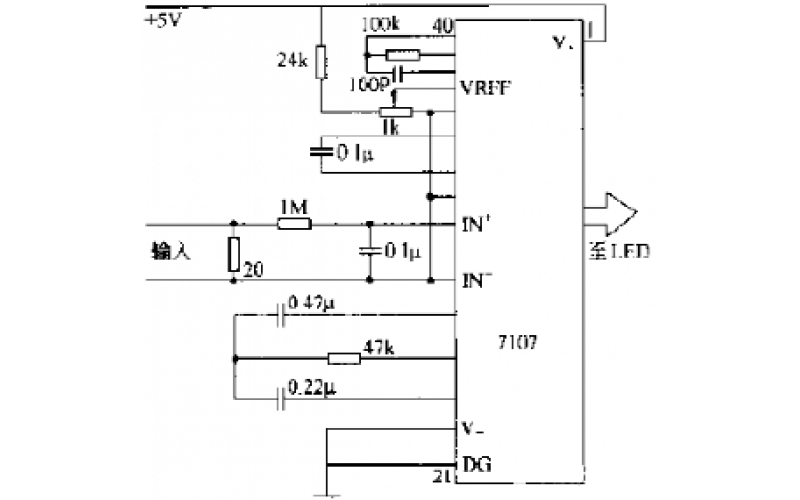
QWF-L6系列积算指示仪的改进
QWF-L6系列积算指示仪的改进
2022-10-05
登录入口
上一页
1
下一页
转至第
首页
产品
新闻
联系
江南平台
|
U8平台(中国)ios/安卓版/手机app下载
|
九州体育
|
九州网页版
|
D体育网页版_D体育(中国)
|
D体育在线
|
U8最新官方
|
九州体育·|(官方)在线官网
|
九体育注册
|