安全防护:与保护接地类似,防止外壳带电伤人。 电磁屏蔽:抑制电磁干扰(如电子设备的外壳接地)静电释放:避免静电积累(如通信设备机柜)
2025-07-29 登录入口
三相四线系统安装熔断器时,必须安装在相线上,中性线(N线)、保护中性线(PEN线)严禁安装熔断器。
2024-09-09 登录入口
事件前机组运行方式:#4机组有功:200MW,无功:48MVar,主汽温度532/533℃,再热汽温546/540℃,双侧风烟系统运行,厂用标准方式,#1-4磨煤机运行,#5磨煤机检修;#2给水泵运行,#3给水泵备用,#1给水泵检修。
2024-05-20 登录入口
电压互感器熔断器又熔断了
2023-10-08 登录入口
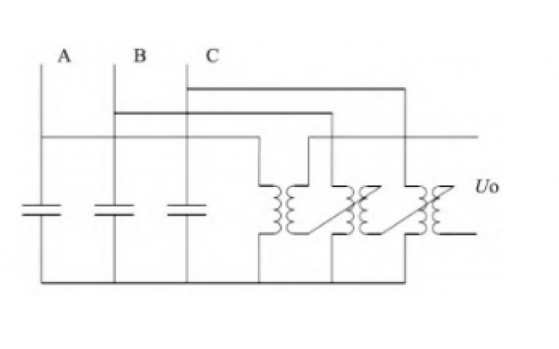
电容器组不平衡保护四种接线方式
2023-09-25 登录入口
并联电容器组保护概述
开关柜操作顺序知识分享
2023-09-15 登录入口
10 kV架空电力线路上变压器、跌落式熔断器、避雷器、隔离开关等等设备安装要求
2023-08-31 登录入口