新闻动态

  • 气动控制阀气源质量要求

    良好的气源质量可以确保气动自控阀稳定可靠地运行,避免由于含有水分、油份或杂质的污染气源导致的腐蚀、堵塞和内部损坏。清洁且稳定的气源还有助于维持系统的整体清洁,提高控制精度,并减少因气动控制阀故障带来的频繁维护或更换配件的成本,同时也降低了停机风险,并消除了由气源中的水分和油份可能引起的安全隐患。

    2025-06-05 登录入口

  • 定位器双作用改单作用的方法

    先给双作用定位器通上仪表气源,你会发现,仪表气源通过定位器进口,直接从定位器 B 口排出。(你会发现定位器入口小风表指示为 0,定位器 B 口小风表指示为 0)

    2025-06-05 登录入口

  • 仪表信号、有源信号、无源接点和有源接点的区别

    从事自动化控制工作的仪表人常与信号和接点打交道,比如无源信号、有源信号、无源接点(干接点)、有源接点(湿接点)等等。本文是介绍无源信号、有源信号、无源接点、有源接点的干货文章,希望对大家有所帮助。

    2025-06-03 登录入口

  • 自锁、联锁、互锁知识分享

    自锁是指电路中的某个控制元件(如按钮或继电器)在动作后,能够保持其状态,即使触发信号消失,电路仍然保持当前状态。

    2025-06-03 登录入口

  • 五阀组的使用知识分享

    五阀组(通常指由五个阀门组成的阀门组,常见于压力测量、差压变送器等仪表管路中)的正确使用对工业流程的安全和测量精度至关重要。

    2025-05-30 登录入口

  • 电接点水位计的一个注意事项

    电接点水位计是一种利用水和蒸汽导电率差异来测量水位的仪表设备,它利用连通器的原理将汽包水位反映到测量筒内,测量筒的电极在水中对筒体的阻抗小,在蒸汽中对筒体的阻抗大,随着水位的变化,电极在水中的数量产生变化,转换成电阻值的变化,传送到二次仪表,从而实现水位的显示、报警、保护联锁等功能。

    2025-05-30 登录入口

  • 关于配电柜(箱)门跨接的规范

    配电柜(箱)与柜门跨接主要目的是为了保证接地连接连续性,使其符合相关安全规定和电气质量标准。在日常巡检中发现,部分配电柜(箱)与柜门未进行跨接或跨接线断裂、松动的情况较为普遍。

    2025-05-30 登录入口

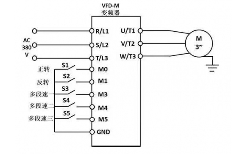
  • 变频器的矢量控制和V/F控制你了解​吗?

    变频器的矢量控制和V/F控制是两种常见的电机控制方式,它们在原理、性能、应用场景等方面存在显著差异。以下将从多个角度详细分析这两种控制方式,并结合我搜索到的资料进行说明。

    2025-05-28 登录入口

首页
产品
新闻
联系