新闻动态

  • 关于涡街流量计“漏脉冲”的探讨

    漏脉冲的核心定义与危害 漏脉冲是指涡街流量计在测量过程中,传感器未能完整检测流体流经旋涡发生体时产生的涡列信号,部分涡流被“遗漏”未转化为电脉冲输出,直接导致流量测量结果偏低。

    2025-11-18 登录入口

  • 锅炉汽包浮筒液位计调试全流程教学

    核心步骤:4 步搞定调试,每步都有 “避坑点”第一步:零位校准 —— 让浮筒 “认准” 空罐状态 零位是调试的基础,必须让浮筒内无残留介质,具体操作如下: 物理排空(关键!):关闭浮筒上下手阀,打开底部排空阀;等待排空口无介质流出(可用容器接取,确认无液体 / 蒸汽后),关闭排空阀。

    2025-11-12 登录入口

  • 锅炉主给水旁路电动调节阀线性推进器故障案

    故障现象:线性推力器的铜螺母内螺纹被阀杆丝杠的外螺纹完全剪切、磨损殆尽,失去咬合力。阀门在高压给水推力下被瞬间顶开,给水流量瞬间飙升,险些导致锅炉非计划停机。

    2025-10-23 登录入口

  • 热电阻指示偏低维修案例

    现场工艺通知该热电阻所测量出的温度显示偏低,与现场工况的实际温度不符。

    2025-10-16 登录入口

  • 电接点水位计显示面板不准

    由于水和汽的导电性能差别极大,以发电厂锅炉汽包为例,一般水阻在几十KΩ,汽阻在1MΩ以上,测量筒的作用就是将水位的高低通过电接点阻值的变化,转换为电信号送至二次仪表进行运算和逻辑判断,最后以发光二极管和数码管准确显示水位值。

    2025-08-20 登录入口

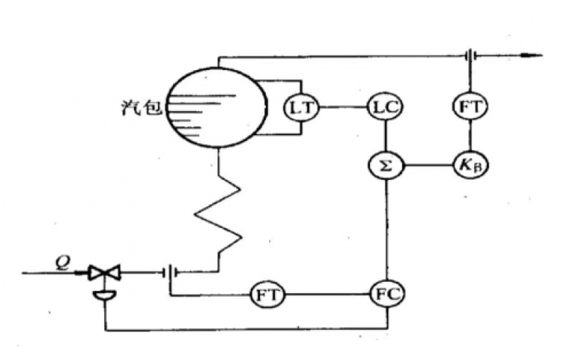
  • 锅炉汽包液位三冲量控制系统

    主被控变量:汽包液位,由液位变送器(LT)测量,经导压管将汽包内液位信号引出,送至主调节器(LC)。 副被控变量:给水流量,由流量变送器(FT2)测量,安装在给水管道的孔板处,通过导压管将差压信号转换为电信号,送至副调节器(FC)。

    2025-08-08 登录入口

  • 膜盒压力表和隔膜压力表区别,别弄混了!

    膜盒压力表和隔膜压力表,虽然只有一字之差,但是两者在结构、工作原理、适用介质和场合等方面存在显著差异,是两种不同类型的压力测量仪表。

    2025-08-04 登录入口

  • DCS系统的切断阀允许加旁路吗?

    在工业过程控制系统中,DCS(分散控制系统)切断阀是否允许加旁路需结合工艺安全、可靠性及规范要求综合判断。以下是关键分析:

    2025-07-09 登录入口

上一页1234567...26下一页 转至第
首页
产品
新闻
联系